Kategorien: Ausgewählte Artikel » Hausautomation
Anzahl der Ansichten: 73875
Kommentare zum Artikel: 2
Einfache Fernbedienungen für elektrische Empfänger per Telefon
Heutzutage gibt es bereits viele industrielle Geräte, die vom GSM-Standard (Global System for Mobile Communication) gesteuert werden - einem digitalen Standard für die mobile Kommunikation oder einem mittlerweile bekannten Mobiltelefon. Das Einbruchalarmverschiedene Schaltschränke für Industrieanlagen oder einfach separate Steckdosen, wie in Abbildung 1 dargestellt.
Das Design ist ein normaler Adapter, der an eine Wandsteckdose angeschlossen wird. Die Last kann durch Klingeln oder Senden eingeschaltet werden. SMS per Handy. Eine manuelle Steuerung ist auch über zwei Tasten an der Vorderseite möglich. Die von solchen Steckdosen geschaltete Leistung liegt je nach Modell im Bereich von 1 bis 5 kW, sodass Sie nahezu jede Last einschalten können.
Es werden auch Mehrkanalbuchsen hergestellt, wie z. B. ein Computer-Boot, mit dem Sie den unabhängigen Betrieb mehrerer Lasten steuern können. Solche Geräte sind eines von Elemente von "Smart Home"und deshalb ist ihr Preis ziemlich hoch: Wenn Sie im Internet schauen, dann reichen die Preise von 1000 - 3500 oder mehr Rubel.

Abbildung 1 Remote-Modul SMS Management
Zum Beispiel eine Steckdose mit Fernbedienung per SMS (kann von 5 Benutzern gesteuert werden) mit integriertem Temperatursensor. Mit dem Sensor kann die Steckdose Haushaltsgeräte entsprechend der Umgebungstemperatur automatisch ein- und ausschalten:

Abbildung 2 P.Steckdose mit Fernbedienung SMS-Management
Noch teurer als einzelne Steckdosen sind Industriemodule. Abbildung 2 zeigt beispielhaft das Angebot eines Online-Shops zum Verkauf eines DTMF-Steuermoduls.

Abbildung 3
Auf diesem Bild erschien bisher die Abkürzung DTMF auf der Oberfläche. Was ist das, siehe unten.
DTMF-Signale
Bei alten Telefonen wurde das Wählen durch Drehen des Wählrads durchgeführt: Ein Finger wählte die Feder des Wählers für die erforderliche Anzahl von Ziffern, das Wählrad drehte sich zurück, um den Kontakt zu schließen, und im Mobilteil waren Klicks zu hören. Ein solcher Satz wurde als gepulst bezeichnet. Die Impulswahl wurde auch in modernen Geräten mit einem Druckknopfwähler verwendet.
Derzeit wird die sogenannte Tonwahl verwendet. Versuchen Sie, eine Nummer auf einem Festnetztelefon zu wählen. Auf dem Empfänger sind Geräusche unterschiedlicher Tonalität zu hören. Es wartet auf DTMF-Signale, - Dual-Tone Multi-Frequency, - ein Two-Tone-Multi-Frequenz-Signal. Abbildung 4 zeigt eine Tabelle, anhand derer Nummern und einige Zeichen übertragen werden, die beim Wählen einer Nummer übertragen werden.

Abbildung 4
Beispielsweise entspricht die Zahl "1" einer Kombination von Frequenzen von 697 und 1209 Hz, und die Zahl "9" entspricht 852 und 1477 Hz. Die Frequenzen werden so gewählt, dass sie zusammen übertragen keine Harmonischen bilden. Zum Decodieren von Tonnachrichten gibt es spezielle Mikroschaltungen - Decoder, beispielsweise IL9270N, HM9270, MT8870. Dies sind nur Analoga verschiedener Unternehmen. Sie können sich sogar in der Anzahl der Schlussfolgerungen oder wie bisher in der fremden Art der Stifte (vom englischen Stift) unterscheiden, aber sie erfüllen die gleichen Funktionen.
Zusätzlich zu diesen speziellen Decodern können DTMF-Signale auf digitalen Computern mit dem Goertzel-Algorithmus entschlüsselt werden. Natürlich können diese Signale auch mit Mikrocontrollern oder, wie sie manchmal genannt werden, eingebetteten Computern entschlüsselt werden.
Neben dem Wählen einer DTMF-Telefonnummer wird die Technologie häufig in Smart-Home-Systemen, Alarm- und Einbruchalarmen eingesetzt. DTMF-Tags werden auch im kommerziellen Rundfunk verwendet.
Das DTMF-System wurde bereits 1961 entwickelt, erreichte Russland jedoch erst in den neunziger Jahren des letzten Jahrhunderts.Die Tonwahl wurde zunächst als kostenpflichtiger Dienst angeboten, jedoch nicht überall, da die Tonwahl nur an modernen digitalen Telefonzentralen möglich ist. Im Allgemeinen werden noch an vielen Orten antidiluvianische Relaisstationen betrieben, die nur die Verwendung von Impulswahl erlauben.
Und jetzt versuchen Sie, eine solche Erfahrung zu machen: Rufen Sie die Zelle an, zumindest Ihren Kollegen bei der Arbeit, denn Sie sind den ganzen Tag im selben Raum. Nachdem er den Hörer abgenommen hat, drücken Sie eine beliebige Nummer auf Ihrem Telefon: DTMF-Signale in Form von kurzen Musiktönen werden in der Dynamik seines Telefons wiedergegeben. (Nach den Gesetzen der Physik nennt man Musik Klänge mit einer bestimmten Frequenz). Zum Beispiel, Lärm auf der Straße, ist es unmöglich, einen musikalischen Klang zu betrachten.
Die gleichen Geräusche treten auch in der Dynamik eines Telefon-Headsets auf: Der Punkt ist klein. Schließen Sie einfach den DTMF-Decoder an die Headset-Buchse an, und schon sind Sie hier, ein fertiges Steuergerät. In einigen Fällen beträgt die Anzahl der gesteuerten Lasten nur eine, und Sie müssen sie jederzeit ein- oder ausschalten.
Selbstgemachte Remote-Geräte Telefonsteuerung
Als nächstes werden mehrere einfache Geräte betrachtet, von denen eines einfach an einem Relais und nur an einem Relais ausgeführt wird.
Ein paar Worte zum Betrieb der Schaltung. Basis des Gerätes ist ein polarisiertes Relais. Wie aus dem Diagramm ersichtlich ist, hat es zwei Spulen, die so eingeschaltet sind, dass beim Anlegen der Spannung an eine Spule der Relaisanker von einem Kern angezogen wird und in dieser Position bleibt, auch wenn keine Spannung mehr an der Spule anliegt - im Relais befindet sich ein Magnet.
Um den Anker zurückzuschnappen, muss an eine andere Spule eine Spannung angelegt werden, zumindest ein Impuls von ausreichender Dauer und Amplitude. Der Anker bleibt in einem gezogenen Zustand, auch wenn die Versorgungsspannung entfernt wird. Erinnert es nicht wirklich? RS - Trigger?
Das Gerät wird über einen Halbwellengleichrichter D1, R1, R2, C1 vom Netzwerk mit Strom versorgt. Am Kondensator C1 wird eine Spannung von etwa 24 V erhalten. Dies verstößt natürlich gegen alle Sicherheitsbestimmungen, aber der Autor versichert, dass, wenn Sie nicht besonders frech werden und nicht dorthin gehen, wo Sie es nicht brauchen, dann ... Nun, im Allgemeinen wird alles klappen!
Das Telefon muss einen Vibrationsalarm haben: An seinen Kontakten wird das Optokopplerrelais IC1 angeschlossen, im Diagramm ist es der Widerstand R4 und der Ausgang des Optokopplers 1. Die Anschlusspolarität ist in der Abbildung dargestellt. Bei Anschluss an ein Telefon sollte die Polarität der Spannung beim Vibrationsalarm mit einem Multimeter oder einer LED mit Widerstand überprüft werden.
Wenn Vibro funktioniert, öffnet sich der Ausgangstransistor im Inneren des Optokopplers (Pins 5 und 6). Der Kondensator C4 wird von der Stromquelle über die rechte Wicklung des Relais und den offenen Transistor des Optokopplers geladen. Der Relaisarm schaltet auf die linke Spule und schaltet sich durch Kontakt K1.2 ein Magnetstarterund bereitet durch Kontakt K1.1 die linke Spule für die nächste Umschaltung vor.
Der Kondensator C4 entlädt sich etwa fünf Minuten lang über den Widerstand R3. Während dieser Zeit ändert das Senden vom Telefon den Gerätestatus nicht. Bei aller offensichtlichen Einfachheit hat das Gerät einen wesentlichen Nachteil: Die Fähigkeit, ein exotisch polarisiertes Relais und sogar den erforderlichen Pass zu erhalten, ist jetzt nahezu Null. Dies wird sogar vom Autor des Schemas in seiner Beschreibung geschrieben.
Ein weiteres einfaches Steuergerät ist in der Abbildung dargestellt. 5.

Zeichnen 5. Telefonlastregelkreis
Wird auf einem speziellen Chip-Signal-Decoder DTMFMT8870 ausgeführt. Der Zweck dieses Geräts in der Leistung des Autors besteht darin, den Computer remote einzuschalten und neu zu starten. Das Gerät arbeitet wie folgt. Nachdem Sie diese Nummer angerufen haben, wählen Sie nach dem Abheben des Mobilteils 1 oder 2 das Einschalten des POWER-Computers oder das Neustarten von RESET.
Die Schaltung wird direkt vom Mobiltelefon mit Strom versorgt, die Ausgangstransistoren der Optokoppler sind parallel zu den entsprechenden Tasten des Computers geschaltet.PC817-Optokoppler werden häufig zum Umschalten von Netzteilen verwendet, vom Computer bis zum Ladegerät für Mobiltelefone.
Das Gerät ist mit der Headset-Buchse und den Lautsprecherstiften verbunden, an denen, wie oben beschrieben, DTMF-Signale angezeigt werden. Der Hauptfehler dieses Schemas beim Wiederholen besteht darin, dass das Telefon den Hörer automatisch abheben muss, wenn das Headset angeschlossen ist. Und nicht alle Telefone haben eine solche Option.
Zeichnen 6. Diagramm des Ladegeräts für die Telefonlast (zum Vergrößern auf das Bild klicken)
Die Schaltung ist hardwarebasiert, d.h. Es enthält keine Mikrocontroller, für die Software erforderlich ist. Die gesamte Arbeitslogik wird durch die Schaltung selbst erreicht.
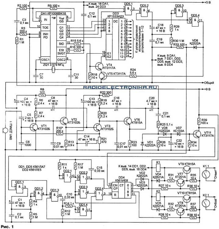
Der Anruf des Telefons wird vom Mikrofon empfangen und von einem Verstärker auf den gewünschten Pegel verstärkt. Dadurch wird ein Relais aktiviert, dessen Kontakte mit der Taste „Beantworten“ verbunden sind (Hörer abheben). Nach Aktivierung dieses Relais wird eine Zeitverzögerung von ca. 7 Sekunden gestartet. Wenn Sie Zeit haben, die erforderlichen Tasten zu drücken, wird das DTMF-Signal an den DA1-Decoder gesendet, dessen Ausgangssignale über den DD3-Decoder über ein Relais angeschlossen werden können, um bis zu 12 Lasten zu trennen.
Nach 7 Sekunden funktioniert das Relais „Auflegen“ (seine Kontakte sind mit der Schaltfläche „Auflegen“ verbunden). Zur weiteren Steuerung benötigen Sie einen weiteren Anruf. Es stellt sich also heraus, dass das Telefon, nur das Ganze, mit Kabeln umwickelt wird: Kabel vom Relais zu den Tasten und sogar die Ausgabe des DTMF-Signals von der Headset-Buchse.
Ein einfacheres Schema, das sich auf die Anzahl der Teile bezieht, ist in der Abbildung dargestellt. 7.
Zeichnen 7. Diagramm des Ladegeräts für die Telefonlast (zum Vergrößern auf das Bild klicken)
Hier wird das Telefon mit automatischer Abholung verwendet, wenn das Headset angeschlossen ist. Sie müssen also nicht an die Tasten löten, sondern nur die Headset-Buchse anschließen. Diese Schaltung ermöglicht die Steuerung von 8 Lasten. Steuerbefehle sind in der Schaltungsbeschreibung aufgeführt.
Diese Schemata sind jedoch keineswegs diejenigen, die am Anfang des Artikels als die komplexesten und schwerwiegendsten bezeichnet wurden. Es gibt diejenigen, die das eingebaute GSM SIM300D-Modul anstelle des alten Mobiltelefons verwenden. Sein Preis beträgt 4200 Rubel. Es stimmt, es wurde bereits eingestellt. In dieses Modul wird die SIM-Karte eingelegt.
Weitere Informationen zum unabhängigen Zusammenbauen und Programmieren eines Fernbedienungsgeräts beim Authoring finden Sie hier:
Eine schrittweise Anleitung zum unabhängigen Zusammenbau und Konfigurieren eines Laststeuergeräts auf einem Mobiltelefon -
Boris Aladyshkin
Siehe auch auf electro-de.tomathouse.com
:


